当前位置: 岳阳柏奎电磁主页 > 产品中心 > 电缆卷筒 >
除铁器
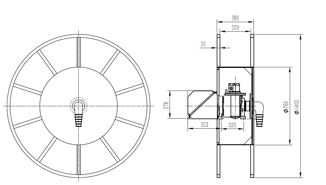
CS-M系列液力耦合式电缆卷筒
应用 : CS-M系列液力耦合式电缆卷筒,体积小、重量轻、结构紧凑、安装使用维修方便,性能稳定可靠。该系列液压马达驱动液力耦合式电缆卷筒主要应用于工程机械台车移动供电同步收放电缆。该装置能够保证用电安全,延长电缆使用寿命。
一、用途: CS-M系列液力耦合式电缆卷筒,体积小、重量轻、结构紧凑、安装使用维修方便,性能稳定可靠。该系列液压马达驱动液力耦合式电缆卷筒主要应用于工程机械台车移动供电同
立即咨询 资料下载
答疑服务130-1721-3168
一、用途:
CS-M系列液力耦合式电缆卷筒,体积小、重量轻、结构紧凑、安装使用维修方便,性能稳定可靠。该系列液压马达驱动液力耦合式电缆卷筒主要应用于工程机械台车移动供电同步收放电缆。该装置能够保证用电安全,延长电缆使用寿命。

二、结构特点:
CS-M系列电缆卷筒,采用独特的液力耦合传动装置,由液压马达、蜗轮蜗杆减速机构、液力耦合器、滑环箱、卷盘组成。有良好的卷绕特性:
1、 卷取力矩调节范围大,调节稳定后,对卷盘轴输出恒定的扭矩;
2、 同步性能好。由于输出扭矩单元(蜗轮蜗杆减速机构、液力耦合器)浸入油中,具备良好的打滑性能,能确保卷取速度与移动设备速度保持同步。
3、蜗轮蜗杆具有良好的自锁性能,能确保电缆不会因重力作用从卷盘上滑落。

三、工作原理:
液压马达工作,带动蜗杆蜗轮转动,蜗轮安装在卷盘轴上且能自由旋转,两个摩擦盘安装在蜗轮两侧,通过键固定在卷盘轴上,旋转时通过蜗轮与摩擦盘之间油膜剪切力来传递扭矩,
1、 卷取电缆时  液压马达工作,驱动蜗杆,带动蜗轮蜗杆减速系统,此时液力耦合器产生油膜剪切力,带动卷盘,同步将电缆卷入卷盘。
2、 释放电缆时  大车直接往前走,电缆被动从卷盘上拖下,无须启动液压马达。
3、 停机时  由于蜗轮蜗杆具有自锁性能,使电缆不会因重力作用从卷盘上滑落。

点击我更换图片