该系列产品采用高性能的磁体材料,运用科学磁路原理制作。吸力大,体积小,自重轻,操作安全方便。抛弃了起重电磁铁配套的繁杂,需提供电源的缺点,是一种节约能源的理想吊具。适用于造船、工程机械、汽车等行业常温钢板起吊、搬运。按卸料方式分为YX1、YX2、YX3和YX4四大类型。
YX1系列适用于吸吊小型板料及圆形工件,人工卸料。
YX2系列采用棘爪轮式结构,自动循环完成吸、放料动作,适用于吊运短而厚的钢板。
YX3系列适用于多台联吊长而薄的钢板,人工卸料,杠杆式结构能较好保证同步性。
YX4系列适用于吊运大型钢板、形状不规则的钢板、重型锻件和铸件,磁路和卸料结构设计独特,通过主钩的升降控制起重器磁路开关状态,该系列可选用电动方式控制起重器的 开开、关状态,订货时请标明“电动”。

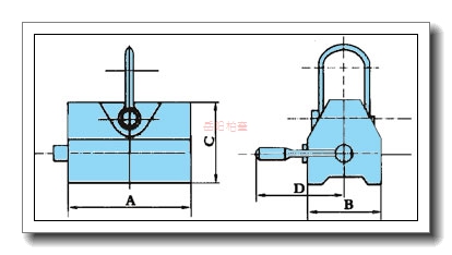
YC1系列技术参数


|
型号 |
外形尺寸 mm |
质量 KG |
起重能力 KG |
|||
|
A |
B |
C |
D |
|||
|
YC1-0.2 |
130 |
110 |
124 |
250 |
12 |
200 |
|
YC1-0.3 |
180 |
110 |
124 |
270 |
16 |
300 |
|
YC1-0.5 |
258 |
110 |
124 |
380 |
25 |
500 |
|
YC1-1 |
263 |
180 |
219 |
412 |
68 |
1000 |
|
YC1-2 |
388 |
220 |
269 |
552 |
150 |
2000 |
YC2系列技术参数


|
型号 |
YC2-1 |
YC2-2 |
YC2-3 |
YC2-5 |
YC2-10 |
YC2-20 |
YC2-30 |
YC2-40 |
YC2-50 |
|
|
外 形 尺 寸 |
A |
550 |
625 |
690 |
970 |
1440 |
1640 |
1950 |
2410 |
2410 |
|
B |
350 |
460 |
470 |
580 |
800 |
800 |
1060 |
1060 |
1220 |
|
|
h |
105 |
110 |
120 |
130 |
155 |
260 |
310 |
310 |
310 |
|
|
H |
518 |
672 |
806 |
1020 |
1440 |
1560 |
1890 |
2310 |
2338 |
|
|
质量 kg |
130 |
250 |
386 |
575 |
1197 |
2110 |
3730 |
4610 |
5370 |
|
|
起重能力 kg |
1000 |
2000 |
3000 |
5000 |
10000 |
20000 |
30000 |
40000 |
50000 |
|
YX2系列技术参数


|
型号 |
起重能力 KG |
最小吸料外形 长 L×宽Wmm |
外形尺寸 mm |
质量 KG |
||||
|
A |
a |
B |
H |
h |
||||
|
YX2-0.2 |
200 |
440×185 |
440 |
350 |
185 |
525 |
112 |
50 |
|
YX2-0.5 |
500 |
560×275 |
560 |
470 |
275 |
645 |
112 |
80 |
|
YX2-1 |
1000 |
720×355 |
720 |
540 |
355 |
760 |
165 |
140 |
|
YX2-2 |
2000 |
870×436 |
870 |
690 |
436 |
905 |
165 |
235 |
|
YX2-3 |
3000 |
1100×436 |
1100 |
950 |
436 |
1090 |
180 |
410 |
|
YX2-5 |
5000 |
1270×565 |
1270 |
1010 |
565 |
1130 |
220 |
640 |
|
YX2-10 |
10000 |
1270 ×1100 |
1270 |
1010 |
110 |
1480 |
350 |
1450 |
YX3系列技术参数

|
型号 |
起重能力 kg |
最小吸料外形 长 L×宽Wmm |
外形尺寸 mm |
质量 KG |
|||
|
A |
a |
B |
H |
||||
|
YX3-0.5 |
500 |
716×196 |
716 |
620 |
196 |
460 |
120 |
|
YX3-1 |
1000 |
824×256 |
824 |
586 |
256 |
570 |
240 |
|
YX3-2 |
2000 |
960×376 |
960 |
848 |
376 |
600 |
320 |
|
YX3-3 |
3000 |
960×406 |
960 |
848 |
406 |
680 |
420 |